长者浏览模式
退出长者模式
当前位置:首页 > 长者专版 > 通知公告

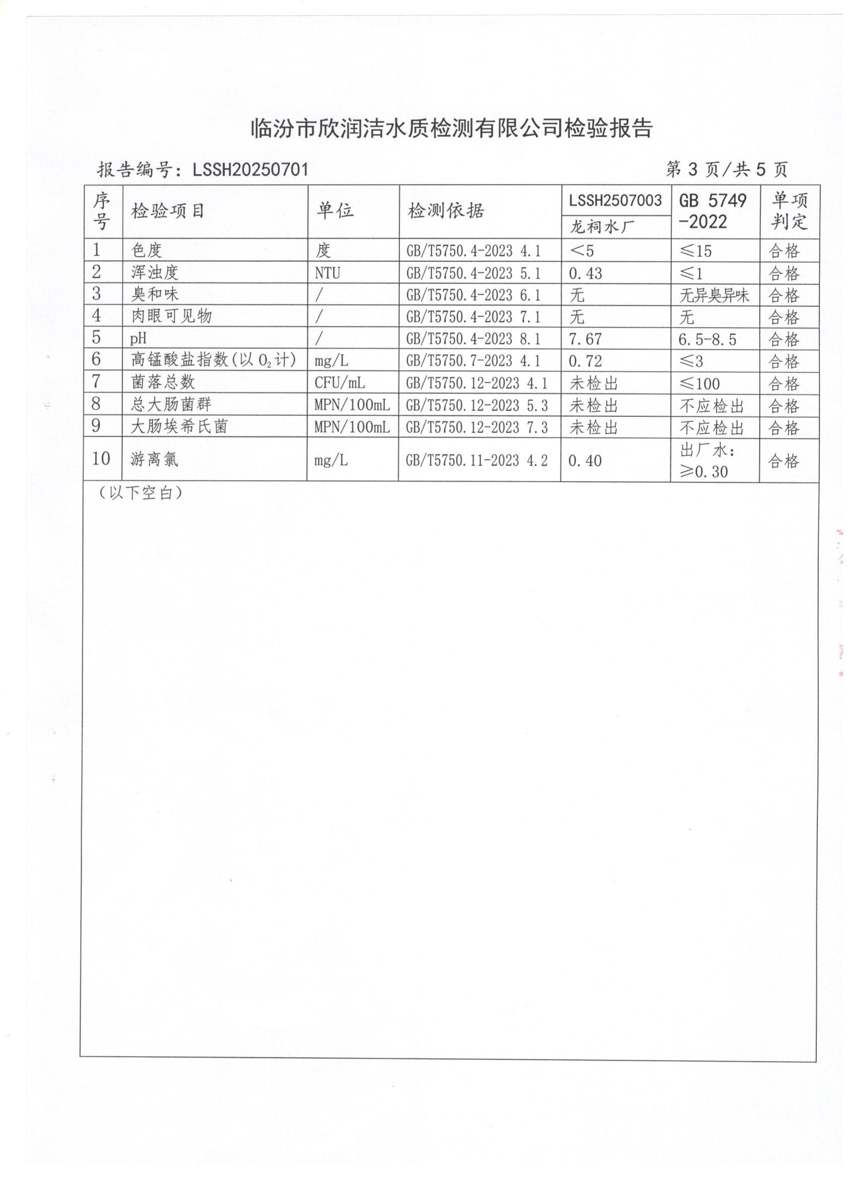
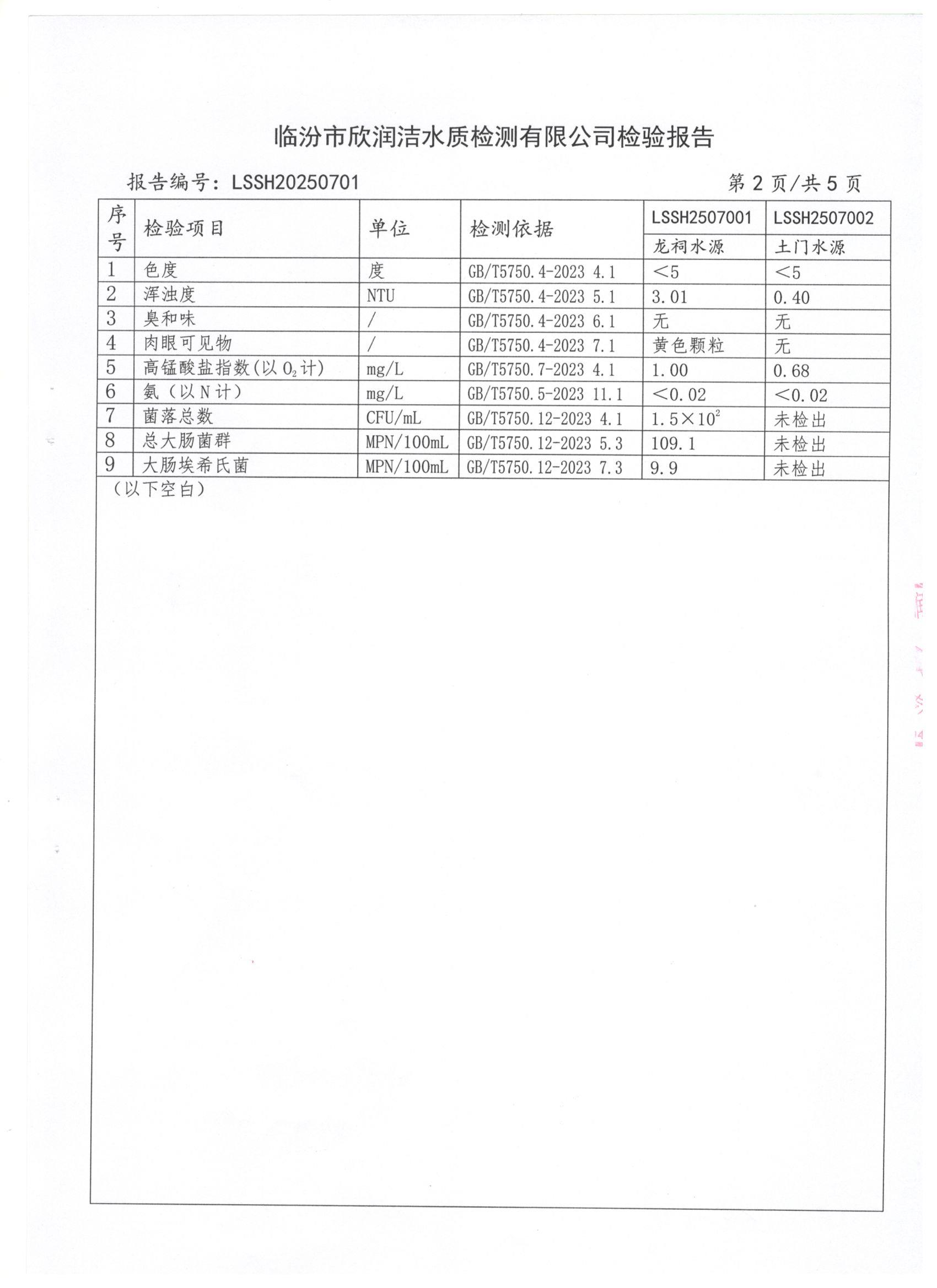
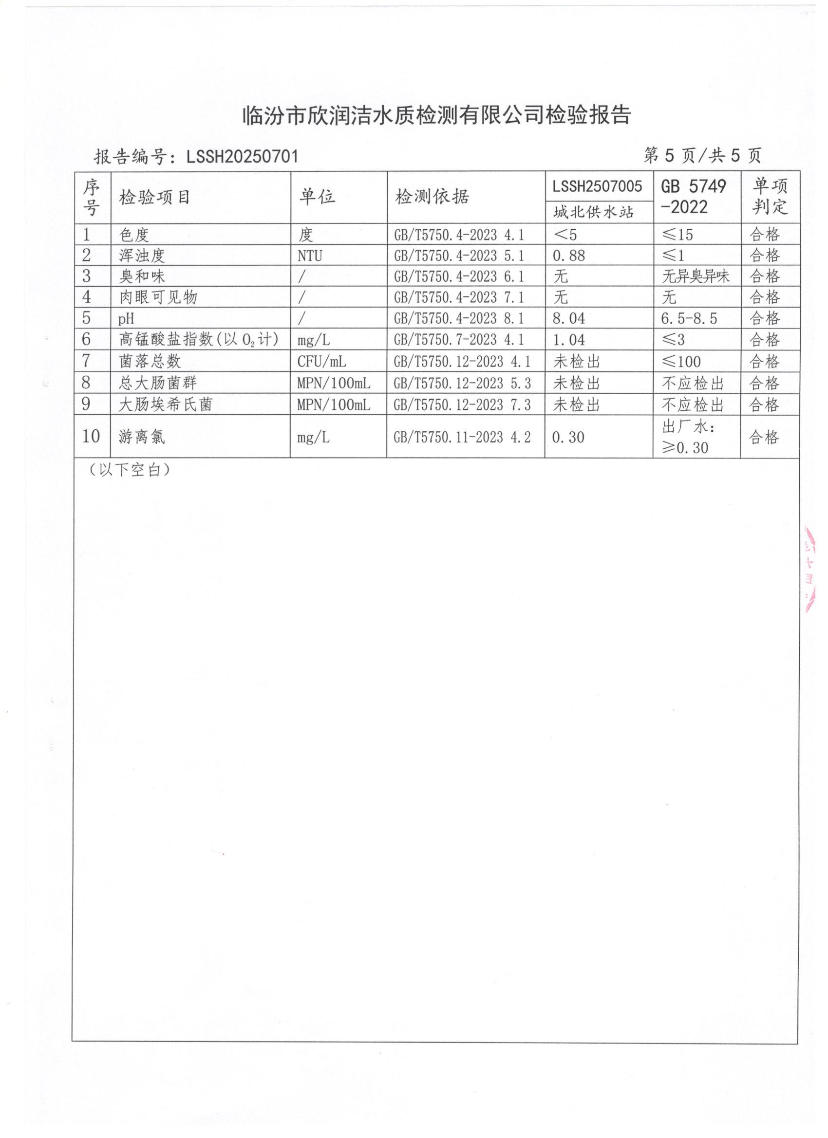
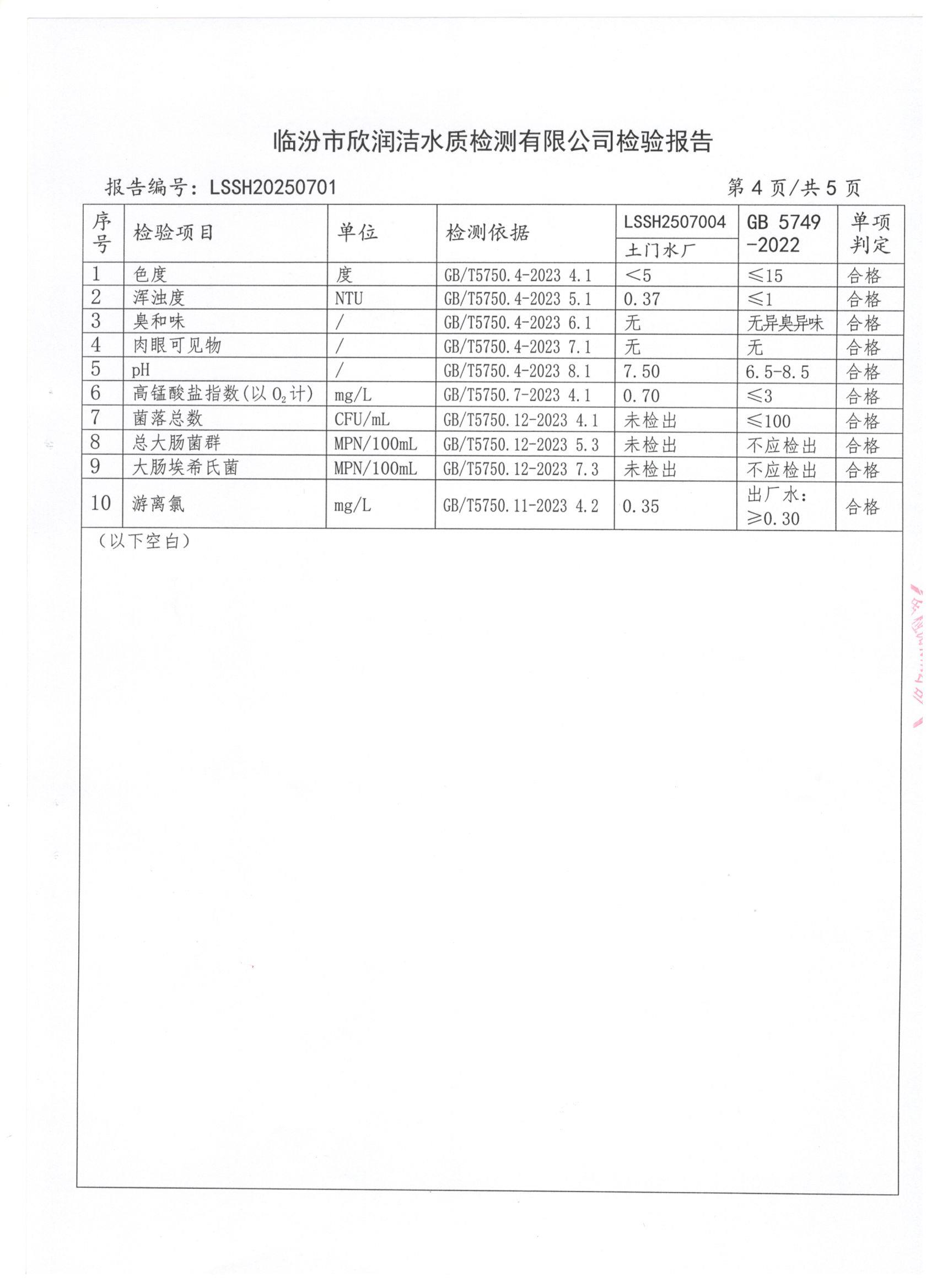
临汾市城市管理局2025年7月份生活饮用水水质监测报告

日期: 2025-10-17来源: 临汾市城市管理局

  

网站地图 联系我们

主办:山西省临汾市人民政府 © 版权所有 2018

承办:临汾市城市管理局  

晋ICP备05003731号  网站标识码:1410000069

涉密文件严禁上网

晋公网安备 14100002000001号